
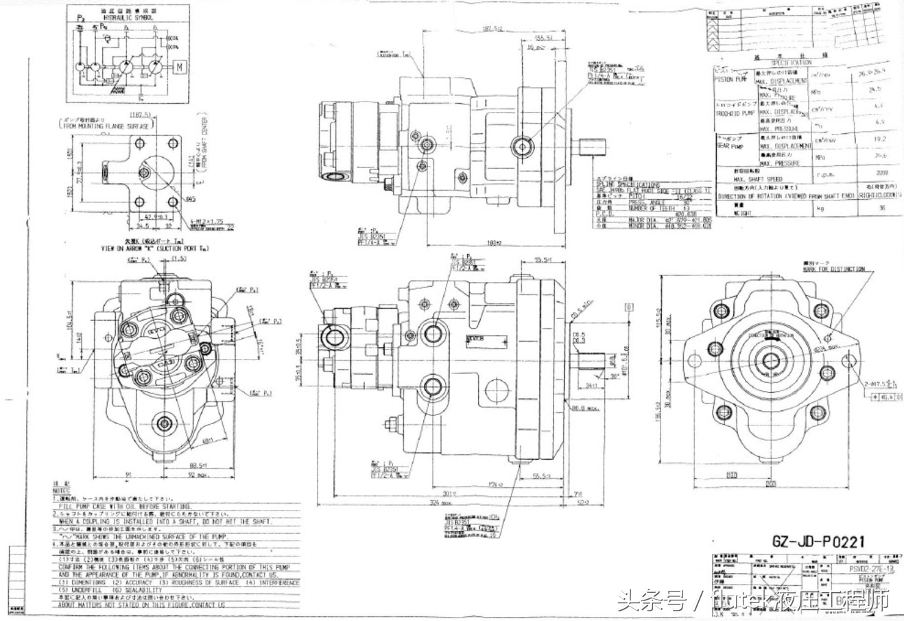
福田FR60挖掘机主泵配KYB的PSVD2-27E的单回转体双出油口柱塞变量泵。一、液压泵主要参数和功能介绍1.期中P1,P2为共用一个回转体的,两个出油口的斜盘轴向变量柱塞泵;P3为高压力齿轮泵;......
福田FR60挖掘机主泵配KYB的PSVD2-27E的单回转体双出油口柱塞变量泵。
一、液压泵主要参数和功能介绍
1.期中P1,P2为共用一个回转体的,两个出油口的斜盘轴向变量柱塞泵;P3为高压力齿轮泵;P4为先导齿轮泵;
2.此泵配在三泵三回路液压系统中使用。
P1供油给:铲斗、大臂、左行走;
P2供油给:斗杆、大臂合流、右行走;
P3供油给:回转、推土铲、斗杆合流、备用(破碎锤);
P4供油给:先导油路。

















简单介绍一下,由于在家没有电脑,手机不好编辑,请多谅解,后续详细介绍补上……