
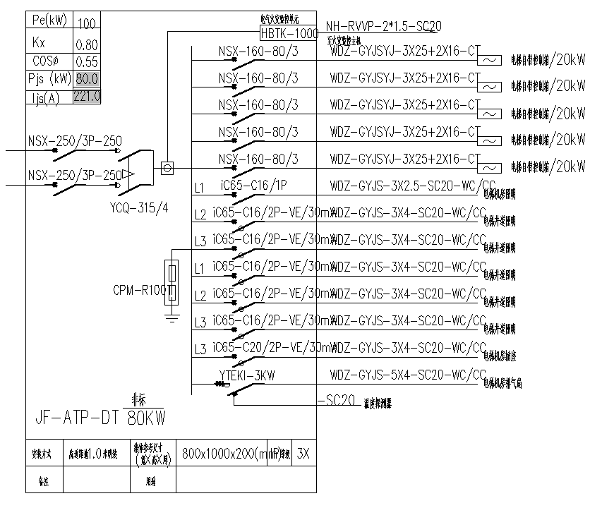
配电箱一次系统图首先,我们看下下面这张配电箱的一次系统图,这是一台非标箱,配电箱编号JF-ATP-DT,配电箱的尺寸是800宽*1000高*200深;配电箱底边距离地边1米,明装;配电箱一次系统图配电......
首先,我们看下下面这张配电箱的一次系统图,这是一台非标箱,配电箱编号JF-ATP-DT,配电箱的尺寸是800宽*1000高*200深;配电箱底边距离地边1米,明装;

配电箱一次系统图

大家知道图纸中的Pe,Kx,COSφ,pjs,Iis是什么意思吗,他们之间有什么关系,我们一起学习一下,Pe指的是该配电箱的额定功率,Kx是需要系数,cosO是功率因数,Pjs是计算功率,Ijs是计算电流;
参数之间的关系:
Pjs=Kx*Pe=0.8*100=80KW
Ijs=Pjs/(1.732*Ue*cosφ)=80/(1.732*0.38*0.55)=221,其中Ue是配电箱的额定电压,ue=380v;

图纸中双电源上端的2个NSX-250/3P-250A是两台塑壳断路器,该配电箱是双电源进线,一路市电,一路是发电机进线;YCQ-315/4是双电源的型号,4极315A;双电源的作用是实现市电和发电机两路电源之间的转换,两路电源互为备用;CPM-R100是一只电涌保护器,或者叫浪涌保护器;它的作用是将雷击浪涌电流快速泄入大地,从而保护用电设备不受雷击。可以有效地吸收突发的巨大能量,以保护连接设备免于受损。
NSX-160-80/3均是出线端的塑壳断路器,IC65均是出线端的小型断路器,也叫微型断路器;
WDZ-GYJSYJ-3X25+2X16-CT
WDZ-GYJS(F)为低烟无卤交联燃聚烯烃绝缘电线,3×25为三根25mm²电线ABC三相火线,2*16是2根16mm²电线,一根N线,一根PE线;CT-----表示沿电缆桥架敷设;
WDZ-GYJS-3X4-SC20-WC/CC
3×4为三根4mm²电线,L火线,N零线,PE地线;
CC-表示暗敷设在屋面或顶板
WC-表示暗敷设墙内
HBTK-1000表示的是电气火灾监控单元,有电气火灾监控模块和剩余电流互感器两部分;顾名思义是起到电气设备火灾监控的作用;
YTEKI-3KW是控制与保护开关,从图中我们可以看到他是控制电梯机房排气扇;

首先,要看懂电气一次图纸,先要认识电气元件的图形符号,字母符号,因为电气一次图主要由电气元件的图形符号组成,其次,我们还需要懂得电气元件的作用,工作原理,这样我们才能完整的看懂电气一次系统图;当然除了这些,我们还需要认识电缆的型号,电缆敷设方式的字母代表;
配电箱的安装方式,配电箱的参数等;这样我们才能看懂图纸里面的全部内容;
备注:如果大家有什么疑问可以在下面留言,小编看到后会给大家解答,欢迎大家转发,谢谢大家;
