当前位置:首页 > 农业机械 > 正文

福田FR60主泵工作原理介绍

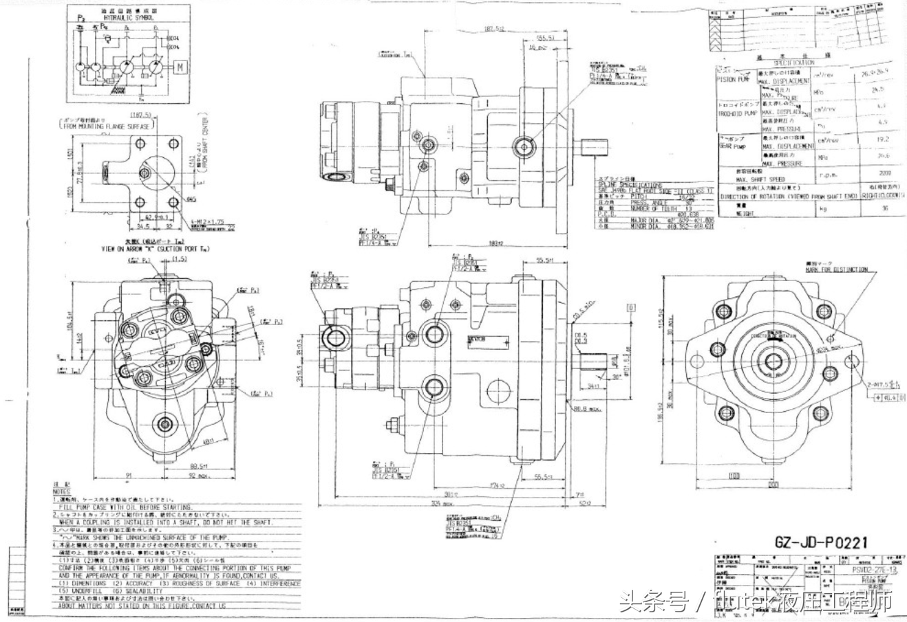
福田FR60挖掘机主泵配KYB的PSVD2-27E的单回转体双出油口柱塞变量泵。一、液压泵主要参数和功能介绍​1.期中P1,P2为共用一个回转体的,两个出油口的斜盘轴向变量柱塞泵;P3为高压力齿轮泵;P4为先导齿轮泵;2.此泵配在三泵三回路液压系统中使用。P1供油给:铲斗、大臂、左行走;P2供油给:...

福田FR60挖掘机主泵配KYB的PSVD2-27E的单回转体双出油口柱塞变量泵。一、液压泵主要参数和功能介绍​1.期中P1,P2为共用一个回转体的,两个出油口的斜盘轴向变量柱塞泵;P3为高压力齿轮泵;......

福田FR60挖掘机主泵配KYB的PSVD2-27E的单回转体双出油口柱塞变量泵。

一、液压泵主要参数和功能介绍

1.期中P1,P2为共用一个回转体的,两个出油口的斜盘轴向变量柱塞泵;P3为高压力齿轮泵;P4为先导齿轮泵;

2.此泵配在三泵三回路液压系统中使用。

P1供油给:铲斗、大臂、左行走;

P2供油给:斗杆、大臂合流、右行走;

P3供油给:回转、推土铲、斗杆合流、备用(破碎锤);

P4供油给:先导油路。

































简单介绍一下,由于在家没有电脑,手机不好编辑,请多谅解,后续详细介绍补上……

​​​​​​​​​​​​​​​​​​​​
​​

最新文章