
写在起始历经我手的超微1U服务器也有三个了。从第一台E200-8D(传送门),到第二台E300-9D-8CN8TP(传送门),再到本次这台E302-9D。代表了小体积,高性能,0噪音三个阶段的跃进。▲......
写在起始
历经我手的超微1U服务器也有三个了。从第一台E200-8D(传送门),到第二台E300-9D-8CN8TP(传送门),再到本次这台E302-9D。代表了小体积,高性能,0噪音三个阶段的跃进。

▲E300-9D-8CN8TP是一台好机器,除了噪音基本找不到其他的缺点。对于企业用户而言,噪音可能不算什么问题,但是对于家庭用户而言,这噪音就让人头疼了。因为koolshare论坛软路由说要来了,被动散热+i7CPU+万兆网卡的组合让我速度出手了E300-9D-8CN8TP。无奈,等了n久的论坛软路由还没出货,超微又发布了E302-9D,全被动式散热,再也不用担心噪音了。正好倍联德(购买链接)有货,不等了,直接拿下

▲E302-9D,不论是家用还是商用都是极为不错的选择。当然了,家用性能过剩是过剩的,谁让我喜欢呢
前言
超微E302-9D(官网链接)尺寸为29cm*20cm*7.6cm。因为其小巧静音,性能强大,拓展性强的特点,可以适合企业或者家庭高端用户作为网络设备来使用。购入超微E302-9D也有一个多星期了,下面来和大家分享下这台产品的使用感受

▲超微E302-9D内部使用了SuperMicroX11SDV-4C-TP8F-01主板。采用IntelXeonD-2123IT处理器,4核心8线程,主频是2.2GHz,最大睿频3.0GHz,60WTDP,支持四通道内存。带4口千兆RJ45LAN口,网卡芯片为Inteli350-AM4。两个来自Soc的10GSFP+LAN口,两个带IntelX557的10GbERJ45LAN口

▲产品规格
开箱

▲E302-9D的包装盒,采用牛纸皮盒子。包装盒上没有了超微的Logo

▲从侧面的贴纸上可以知晓设备的型号以及SN

▲打开包装箱。可以看到内部的机器被泡棉包裹,可以避免运输过程中的磕碰。右侧是配件盒

▲超微E302-9D的配件盒有两个。打开配件盒可以看到内部的配件

▲美标电源线


▲2.5寸硬盘支架

▲2.5寸硬盘支架安装方法

▲安装2.5寸硬盘支架会占用一个PCIe插槽,PCIe插槽只是起到固定支架的作用

▲电源适配器规格12,150W功率。制造厂商是全汉

▲电源适配器接头带锁定功能,可以防止电源线意外脱落

▲盒中所有配件一览。美标电源线两根,150W可锁定电源适配器一个,2.5寸硬盘支架一个,脚垫4个,扎带和螺丝若干

▲E302-9D表面粘有干燥剂一包

▲去除干燥剂后就能看到顶盖状况了。E302-9D采用了带散热鳍的铝制外壳,分量很重

▲底部铭牌,台湾制造。E302-9D的底部预留了壁挂孔,支持挂壁安装

▲壁挂架需要另行购买

▲E302-9D正面。从左往右依上而下分别是DC插口一个,接地螺丝一个,IPMI管理接口一个,接口两个,四个千兆RJ45LAN口,两个10GbERJ45LAN口,两个10GSFP+LAN口,VGA接口一个

▲侧面和顶盖是一体的,也带有散热鳍

▲背面仅留有一个带LED指示灯的电源开关
拆解

▲首先拆下铝制外壳,内部没有了安装SATA硬盘的托架。E302-9D采用被动散热,蓝色部分是散热器

▲铝制外壳内部一览

▲散热器不但负责对CPU进行散热,还帮万兆PHY芯片以及供电Mosfet芯片进行散热

▲拆下散热器

▲散热器正面贴有蓝色的散热垫,散热器通过散热垫和顶盖接触,将热量传导至外壳上

▲散热器背面一览。左下角的蓝色方形散热垫和最上方的蓝色长条散热垫分别和万兆PHY芯片散热装甲,以及供电Mosfet芯片散热装甲接触

▲主板供电接口采用12V8PIN

▲将X11SDV-4C-TP8F-01主板从CSE-E302iL机箱中拆出,CSE-E302iL机箱采用铁壳打造

▲X11SDV-4C-TP8F-01主板正面一览

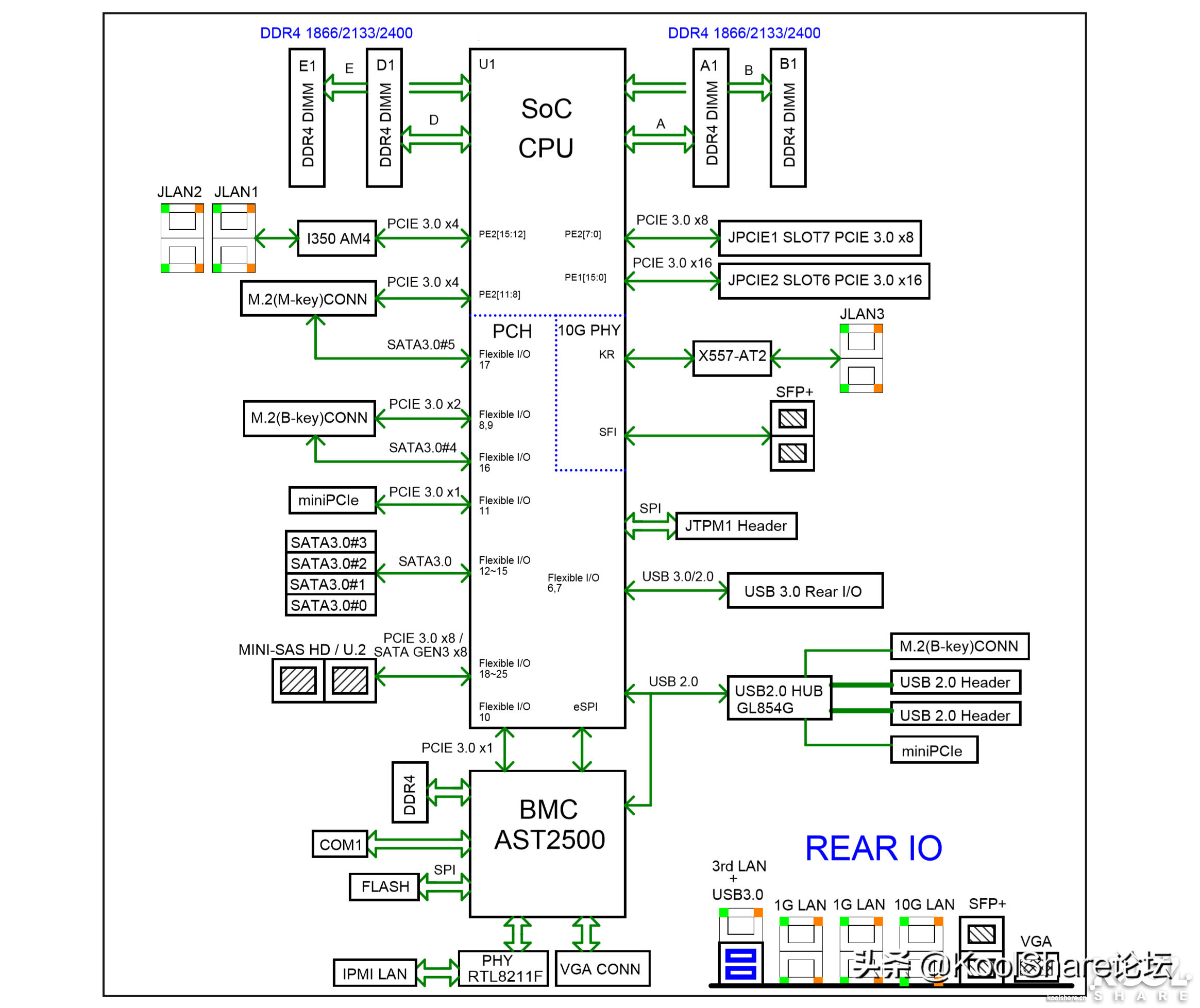
▲X11SDV-4C-TP8F-01主板接口介绍。其中LAN1-LAN4是千兆RJ45LAN口,网卡芯片为Inteli350-AM4。LAN5-LAN6是10GbERJ45LAN口,PHY是IntelX557,MAC是IntelX722,MAC集成在CPU中。LAN7-LAN8是10GSFP+LAN口,MAC是IntelX722,MAC集成在CPU中。除此之外,主板的插槽和插槽都是直通CPU的

▲IntelXeonD-2123ITSoCCPU,集成了PCH。14nm制程,4核心8线程,主频是2.2GHz,最大睿频3.0GHz,60WTDP,支持四通道ECCUDIMM/RDIMM内存

▲RealtekRTL8211F千兆PHY芯片。为IPMI管理端口提供支持

▲Inteli350-AM4千兆网卡芯片。为LAN1-LAN4提供支持

▲在这块散热装甲下的是IntelX5571Gbps/10Gbps双速率PHY,为LAN5-LAN6提供支持

▲右上方是Mini-PCI-E转mSATA插槽。最下方是适用于SSD的插槽,支持2280规格的NVMeSSD。AspeedAST2500,独立的ARMCPU,用于处理IPMI系统数据,同时为VGA接口提供支持。MX25L25635FMI,FLASH芯片,容量大小为32MB。K4A4G165WE-BCRC,DDR4RAM芯片,电压为1.2V,速率为2400Mbps,容量大小为512MB

▲适用于SSD/WANcard的插槽,2242/8规格。它的下方是NanoSIM卡卡槽,给提供支持

▲X11SDV-4C-TP8F-01主板提供了两个SFF-8643接口,每个SFF-8643接口可以使用SFF8643转4个SFF8482线连接四个硬盘或者直接连接一个硬盘。除此之外,还提供了四个接口,其中黄色的接口支持SATADOM

▲X11SDV-4C-TP8F-01主板背面一览。CPU散热器背面预装了金属背板,保证了主板的强度

▲GL854G,

▲主板芯片示意图。这块主板和我之前E300-9D-8CN8TP上那块X11SDV-8C-TP8F除了CPUSoC不一样之外,其他地方都一样
BIOS

▲BIOS主页面,显示主板型号,当前BIOS版本以及内存容量

▲Advanced中可以对CPU,网卡,PCH等进行设置

▲CPU设置中可以设置是否开启超线程,VT技术等等
▲内存设置中可以对内存进行设定。这里内存的速率可以设定2133MHz/2400MHz/2666MHz
▲IntelXeonD-2123IT支持VT-d

▲对SATA接口进行设定

▲PCI设备配置,在这里可以对每个PCI插槽进行设定

▲主板上的IPMI管理接口也是可以设定的

▲IPMI管理接口的IP地址可以是以DHCP方式获取或者是静态IP。在这里我将其配置成静态IP,方便后期直接接入管理

▲新版BIOS中CSM选项没有了。如果使用NVMeSSD硬盘,请改为UEFI方式引导

▲设定好BIOS,可以在这里选择保存
IPMI
作为一个服务器主板,X11SDV-4C-TP8F-01也配备了IPMI系统和独立的管理接口

▲IPMI中可以看到当前主板上的硬件信息

▲传感器读取信息中可以查看当前的所有设备温度以及风扇转速和12V、5V、3V电压

▲日期和时间要设置准确了

▲网络设定中可以配置IPv4地址和IPv6地址

▲端口设置中设定好自己需要使用到的端口

▲风扇也可以自定义运转模式,默认为Optimal。由于E302-9D采用全被动式散热,所以这里不用改动任何东西,也不会有风扇转速报警

▲通过远程控制—iKVM/HTML5中可以查看当前VGA端口显示的内容

▲维护中可以对IPMI系统进行升级,恢复出厂设置。或者对服务器主板的BIOS进行更新

▲Activelicense中输入节点产品秘钥后才能激活IPMI系统中的一些高级功能,例如上述的BIOS升级功能
CPU性能

▲使用的内存是2根ECCDDR42666MHz16GB内存组双通道来测试,内存工作在2400MHz频率下

▲安装内存时首先安装A1、B1;然后才是D1、E1

▲使用当前利明导热系数最高的TFX硅脂,密度26,导热系数高达14.3

▲装上散热器,使用时记得要揭掉最上层的蓝色薄膜。系统盘是浦科特SSDM9PGN+256G

▲HWINFOCPU详情,可以看到4核心跑AVX2指令集的时候频率为2.6GHz,4核心跑AVX-512指令集时频率为2.6GHz

▲IntelD-2123ITCPU中没有集成GPU,显示输出靠AspeedAST2500

▲CPU信息

▲CPU缓存信息

▲主板信息

▲CPU-Z测试。受制于XeonD-2123IT主频,分数表现一般

▲测试。单线程耗时1618.507秒,多线程(8线程)耗时283.042秒

▲单线程和多线程测试

▲7-单线程和多线程测试

▲单线程和多线程测试

▲CINEBENCHR15测试

▲CINEBENCHR20测试
家庭网络组建

▲首先是超微E302-9D服务器,充当家庭网络核心,帮我连接世界

▲群晖DS1618+,家庭影音存储中心

▲插上群晖E10G17-F210GSFP+网卡,让DS1618+变为10G接入

▲UBNTUS-XG-6PoE万兆PoE交换机

▲ArubaAP515-RW

▲最后是网络拓扑图
LEDE性能
测试平台
硬件部分:
PC1万兆网卡:AKITIO10G/NBASE-T
PC2万兆网卡:AKITIO10G/NBASE-T
软件:
Windows10Pro安装所有必选补丁,关闭系统防火墙
本次测试使用了如下测试脚本:
Ultra_High_Performance_Throughput。此脚本用于测试最大传输带宽。
测试连接方式:
PC1,PC2通过CAT6网线连接E302-9D。

▲都为E302-9D准备好了IntelX710-T2L,奈何忘记买转接卡了,头疼

▲安装好LEDE

▲NAT单线程和十线程

▲10GLANto10GLAN单向单线程和十线程

▲10GLANto10GLAN双向单线程和十线程
功耗与温度

▲室内温度25.9度,湿度55.1%
1.Windows篇
将E302-9D开机后空置一个小时

▲E302-9D空载时功耗在45.0W左右

▲此时CPU温度在50度左右,PCH温度在55度左右,10GPHY芯片温度在65度左右

▲外壳和CPU散热器对接处温度最高,在42.3度左右

▲外壳边缘温度在37.4度左右

▲电源适配器温度最高处在35.8度左右

▲StressFPU30分钟,CPU全核心运行在2.6GHz,没有发生降频

▲StressFPU时E302-9D功耗维持在90.2W附近

▲此时CPU温度在73度左右,PCH温度在69度左右,10GPHY芯片温度在75度左右

▲外壳和CPU散热器对接处温度最高,在65.1度左右。此时的外壳已经烫手了

▲外壳边缘温度在53.6度左右

▲电源适配器温度最高处在41.0度左右
2.LEDE篇

▲E302-9D空载时功耗在45.8W左右

▲此时CPU温度在50度左右,PCH温度在54度左右,10GPHY芯片温度在63度左右

▲外壳和CPU散热器对接处温度最高,在43.1度左右

▲外壳边缘温度在39.3度左右

▲电源适配器温度最高处在36.1度左右

▲网线接入千兆网卡时功耗在46.2W左右

▲网线接入10G网卡时功耗在50.5W左右

▲10G网卡下NAT10线程时功耗在70.7W左右

▲10G网卡下LANtoLAN双向10线程时功耗在77.5W左右

▲此时CPU温度在52度左右,PCH温度在54度左右,10GPHY芯片温度在74度左右

▲外壳和CPU散热器对接处温度最高,在51.5度左右

▲外壳边缘温度在43.2度左右
▲电源适配器温度最高处在40.5度左右
总结
超微E302-9D无疑是一台性能强大的服务器,只是作为LEDE软路由来使用不免有些大材小用。更多的玩家可以将其作为AllinOneHomeServer来使用,集合EXSI,LEDE,NAS等等于一体。
优点:
1.全被动散热,0噪音
2.做工扎实,能适应各种环境
3.即使是全被动散热,CPU满载不降频
缺点:
1.10GPHY芯片散热规模太小,被动散热温度虽然没有超过门限,但是超过75度后会引起性能下降,幅度在500Mbps左右