当前位置:首页 > 农业机械 > 正文

扫路车使用介绍

5060TSL扫路车是根据我国城市环卫作业需要开发生产的新一代湿式除尘、吸扫结合的中型扫路车。该车的综合性能和整车可靠性更优于其它厂家,布局更合理;整车设计采用模块设计且底盘采用国内知名品牌,可以满足客户不同的需求。我们的设计理念是:高效节能,低耗环保。5060TSL扫路车采用二类汽车底盘改装,轴距...

5060TSL扫路车是根据我国城市环卫作业需要开发生产的新一代湿式除尘、吸扫结合的中型扫路车。该车的综合性能和整车可靠性更优于其它厂家,布局更合理;整车设计采用模块设计且底盘采用国内知名品牌,可以满足......

5060TSL扫路车是根据我国城市环卫作业需要开发生产的新一代湿式除尘、吸扫结合的中型扫路车。该车的综合性能和整车可靠性更优于其它厂家,布局更合理;整车设计采用模块设计且底盘采用国内知名品牌,可以满足客户不同的需求。我们的设计理念是:高效节能,低耗环保。

5060TSL扫路车采用二类汽车底盘改装,轴距3360mm,7.00-16轮胎,原装空调,加装动力系统、风机传动系统、洒水系统、液压系统、电气系统、清扫作业装置、副车架、垃圾箱等改装而成。其主要配套件:垃圾箱的倾翻、垃圾箱后门的开和关、扫盘的旋转、吸嘴的升降均采用液压传动,电、液集中控制;主要液压元件采用优质进口件,整机性能良好、可靠。该车采用以吸为主、吸扫结合、湿式除尘的工作原理对路面进行清扫作业,具有清扫效率高,二次污染小,维修方便快捷等特点,是城市道路、高速公路、机场、码头等地面理想的清扫、保洁作业设备,是一款一机多用的设备。


主要性能与特点

1、超大容量水箱置于风机与驾驶室之间,车辆作业时增加驾驶室舒适度。

2、副发动机放置于清水箱与垃圾箱中间,与驾驶室隔开,减小驾驶室噪音,提升驾驶舒适性;

3、整车采用采用“中置四扫盘+后置吸嘴”布置形式,该形式具有清扫宽度大,清扫效率高的特点,并有利于清扫装置的调整和维护。

4、扫盘具有避障功能、自动复位,液压马达驱动盘刷旋转,可实现三级调速。

5、设置手动泵应急系统,保证在副发动机停机状态也能收放工作装置、举升垃圾箱,便于检修。



6、吸盘具有随地仿形找平摇摆补偿机构,作业时随路面适应性强。

7、垃圾箱采用大倾角倾翻卸料,污水中的沉积泥和垃圾可以自动卸出。

8、采用先进的智能化一键式操作,作业时,只需选定作业模式后,各作业机构的启动与关停由程序自动控制,作业装置有全扫、左扫、右扫3种作业模式,以满足不同路段等多种作业需求。

9、车辆右侧和后部安装监控摄像头,驾驶室配高清液晶显示器以监视作业效果,倒车时可以导航。


10、左、右扫盘配备照明工程灯。

11、尾门启闭设计采用弹簧预紧结构形式。

12、可选配辅助吸污管,能有效对深井、深坑、死角等部位垃圾、污泥等进行清理。

整车性能参数

扫路车外形图


扫路车外形图

整车性能与技术参数见


整车性能与技术参数见表


整车性能与技术参数见表


整车性能与技术参数见表



扫路车加油(脂)、加水部位


扫路车加油(脂)、加水部位见表

结构简介与使用调整1.1副发动机、风机传动系统

副发动机式扫路车各专用工作装置的动力源,副发动机启动后,带动风机。液压泵工作,实现清扫、洗尘等作业,其结构见图2。


图2副发动机及风机安装

副发动机最高工作转速限定

副发动机经自动离合器和传动皮带带动风机运转,副发动机的转速通过手动油门操纵机构控制油门开度来调节,并通过安装于副发动机上的油门限位螺钉限定其最高转速。发动机怠速为750~790r/min,最高工作转速为2400r/min。发动机最高工作转速出厂时已经限定,切莫任意调节油门限位螺钉,以免增加油耗,影响副发动机、风机的正常使用。

风机传动皮带张紧

风机传动皮带为窄V带,其张紧可通过调节张紧轮位置来实现。在每根窄V带跨度中心处垂直作用约20N的力,产生的挠度为12mm左右即可。

吸嘴装置

本扫路车吸嘴结构见图3。为了确保最佳清扫效果,吸嘴支承滚轮着地后,底边和路面的间隙应保持在5~10mm左右,该间隙可溢通过提高和降低吸嘴后部和两侧的支承滚轮的安装高度来调节,。支承滚轮磨损后,要及时调整。两侧支承滚轮高低调节时,先松开调节螺钉(图3序号6),转动支承滚轮轮架,使之到合适的位置,再拧紧调节螺钉。

可通过驾驶室内操纵仪表上的旋钮控制吸嘴装置的“收回、放下”动作。


吸嘴装置

清扫装置

清扫装置由车体两侧的左前、右前清扫装置及左后、右后清扫装置组成,其结构见图4。扫盘转速有60、80、110r/min三挡,通过驾驶室内操纵仪表上旋钮可以调整,前清扫装置用油缸(图4序号4)控制其“收回、放下”,且具有防撞避让功能。清扫作业时,扫盘遇到前进方向的障碍物发生碰撞时,可以向内收缩避让,并通过弹簧(图4序号11)的作用自动恢复到工作位置;后清扫装置用油缸(图4序号18)控制其“收回、放下”。

清扫装置共有三种工作模式:左前、左后扫盘单独工作、右前、右后扫盘单独工作,左右两侧扫盘同时工作。操作人员可根据路面实际情况,通过驾驶室内操纵仪表上旋钮可以选择其中任一种工作模式。

扫刷触地状况直接影响清扫效果,当扫刷磨损后,必须对扫盘进行调整,此时扫盘上的扫刷与地面接触的位置应位于内侧上角。其调整方法如下:

1.1.1扫盘前后倾角调整

松开调节丝杆(图4序号6)上的锁紧螺母,调整调节杆螺掰长度,使扫盘垂线向前倾斜4°~6°,然后锁紧调节杆上的锁紧螺母。注意调整完成后应再螺杆上涂上钙基润滑脂,以防止螺纹锈蚀,影响下一次调整。

1.1.2扫盘左右倾角调整

松开扫盘倾角调节螺栓(图4序号7),将扫盘外倾4°~6°,然后锁紧螺母。

1.1.3前扫盘扫刷磨损后高度调整(左前、右前清扫装置)

先将前扫提升油缸(图4序号4)伸到最长,然后松开滑块(图4序号2)的锁紧螺母,使其沿联接处的滑槽外滑,降低扫盘高度到合适位置,再将锁紧螺母拧紧。其次,调节卸扣(图4序号5)与链条(图4序号12),调节扫刷接地压力,使扫刷触地压力适当。

1.1.4后扫盘扫刷磨损后高度调整(左后、右后清扫装置)

先将后扫提升油缸(图4序号18)伸到最长,适当调节链条(图4序号22)长度并上下调节环链挂钩(图4序号20),可降低扫盘高度和调节扫刷接地压力。


清扫装置

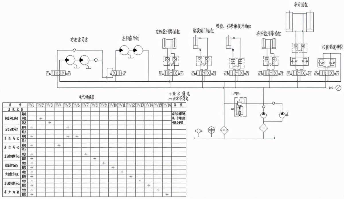
1.1液压系统

液压系统由液压泵、液压马达、液压油缸、溢流阀、电磁阀、节流阀、液控单向阀、背压阀、集成块、手动泵、液压油箱、连接油管等组成,其原理图见图5,液压系统原理图见图6。

5060TSL型扫路车液压系统包括由副发动机驱动的齿轮油泵和手摇泵提供压力油驱动扫盘和其他动作。在正常工作状况下,副发动机工作时齿轮泵向阀块供油,通过电路和各种阀类的控制功能,分别控制左右扫盘提升油缸、左右扫盘马达、吸盘提升油缸、挡沙机构油缸、垃圾箱举升油缸、垃圾箱门油缸等各动作,扫盘转速也可由电磁阀控制功能实现高、中、低三种速度。当副发动机出现故障停止工作时,可以启动手摇泵向阀块供油,实现阀块控制的部分功能。在阀块上设有溢流阀,各油路的实际压力(只有在油缸工作到死点时)达到溢流阀的开启压力时,高压油通过溢流阀进入回油管路,防止油压过高损坏机械装置。合适的压力可以保证设备健康工作,节省能耗,溢流阀的开启压力是在机器调试时已经设定好,它保证了机器的正常工作,一般情况下,不得随便调整溢流阀压力,以免造成工作不正常或引起系统元件的损坏。在阀块中设有旁路节流阀,该节流阀设有三种节流面积,通过电磁阀换向,控制油路三种不同流速,从而有级地调节扫盘马达的转速,以适应于不同清扫工况。该节流阀在机器出厂时已经调好,出厂后不得随意调整。


液压原理图


液压系统总装图

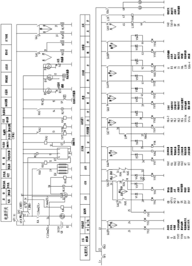
4.5电控与仪表系统


电路系统原理图

汽车底盘电气系统和专用工作装置电控与仪表系统为两个独立的系统。

汽车底盘专用电气系统详见配套的底盘的汽车底盘说明书。

专用工作装置电控与仪表系统由电控箱、副发动机电气元件及电磁阀等组成。

1.1洒水系统

洒水系统由水箱、水滤、两个水泵、球阀、喷嘴、喷管组成、洒水系统原理图见图8。两个水泵(图8序号4)并联供水,通过分水管,将水分别各扫盘、吸嘴、垃圾箱等处。清扫作业时,先确认驾驶室中操纵仪表盘上的水位表中显示的水箱中的水位是否足够,并确保总球阀(图8序号2)处于开通状态,并将“水泵工作控制开关”扳至“工作”位置,此时水泵运装,压力水经各喷嘴喷出并形成水雾,以减少清扫扬尘,进行湿式除尘,或者在垃圾箱倾翻时协助倾泄垃圾。

1.1.1喷嘴安装或更换

喷嘴安装或更换时,注意对好每个喷嘴头部开槽方向,要求左前、右前扫刷处几个喷嘴喷出的扇形水雾相互衔接,若喷嘴堵塞或不畅,应卸下喷嘴疏通清洗后再装上。

1.1.2水泵的操作

若不工作或雨天作业不需洒水时,应将“水泵工作控制开关”扳至“停止”位置。

1.1.3大球阀的操作

大球阀(图8序号14)是水箱(图8序号1)的加水和排水阀。清扫作业前,将加水带总成与大球阀(图8序号14)前端的管牙接口连接后,打开大球阀(图8序号14)加水。加满水后,关闭大球阀,卸下加水带总成。冬季或维修需要排尽水箱中的水时,打开大球阀(图8序号14)排水即可。

1.1.4污水循环系统的操作

污水循环系统由污水箱(位于垃圾箱内斗内)、控制球阀、连接管路等组成。污水循环系统的原理是利用吸盘内的负压使从垃圾箱内斗过滤到污水箱的污水再回到吸盘内进行喷雾降尘,从而达到污水循环利用效果。当垃圾箱内斗内无污水时应将污水控制球阀关闭,此时污水循环系统不工作;当清水箱内水快用完或垃圾箱内有污水时可打开污水控制球阀,启动污水循环系统。每天收车时应将污水控制球阀关闭,以避免污水箱残留污水从吸盘泄露。

1.1.5注意事项

1、定期清洗水过滤器;

2、清扫作业前检查各喷嘴是否畅通;

3、冬季气温降至冰点以下时,扫路车停止作业后排尽水箱、管路中的存水。

4、冬季气温降至冰点以下时,垃圾箱清洗喷管(图9序号12)不得工作。


洒水系统原理图

垃圾箱

垃圾箱为密封式,骨架及薄钢板焊接结构,其结构见图10。垃圾箱内设有钢丝滤网(图10序号7),垃圾箱内灰尘、大体积杂物经过滤后,再进入风机以减少风机磨损及损坏。后门(图10序号10)由后门开启油缸(图10序号13)控制“开启”和“关闭”,并可通过连杆(图10序号23)调整后门关紧程度,及使后门锁紧。垃圾箱内层(图10序号8)采用不锈钢板制作,后门有密封条,应保证密封效果,不允许漏水漏气。垃圾箱内设有污水过滤网(图10序号18),污水经此过滤网过滤后进入污水箱内,以完成污水循环功能;垃圾箱后门上设置有观察口(图10序号12),可通过此观察口监视垃圾箱内垃圾情况;后门上设置排污口(图10序号15),雨天作业或垃圾箱内污水较多时,可通过此口排出污水;后门可选装辅助吸污管(图10序号14),可对路面水洼、偏僻角落、浅坑中的积水、污泥等杂物进行清理,也能在一定程度上对下水道进行清理。垃圾箱通过翻斗铰座(图10序号21)铰支在副车架上,由举升油缸(图10序号17)控制倾翻卸料。垃圾箱进灰管(图10序号20)与副车架上的吸管接管口对接,用密封条做平面密封,应保证不漏气。

收车后应用水清洗垃圾箱内部、滤网和密封条边缘。


垃圾箱

1.1副车架

副车架用骑马螺栓安装在汽车底盘上,用以连接和支承各工作装置。出车前注意骑马螺栓的紧固情况。

2使用与操作2.1操作装置与仪表

HJH5060TSLQL4扫路车的操作装置分两部分:一部分在驾驶室,行驶及作业时候操作;另一部分在驾驶室外,车停止时在车下操作。

与该车行驶有关的操作装置和仪表的操作使用请参阅庆铃QL1060A1HAY型载货汽车使用说明书。

2.1.1扫路车驾驶室内的操作装置和仪表

扫路车驾驶室内的操作装置和仪表由两部分组成,一部分为车辆改装前汽车底盘配有的与行驶有关的操作装置和仪表,包括方向盘、主发动机启动开关、离合器踏板、油门踏板及照明、音响、空调控制开关和汽车仪表板等。另一部分为清扫作业专用的操作装置和仪表,包括清扫作业电控箱、副发动机手油门、液压系统压力表等,驾驶员在驾驶室内通过操作以上两部分装置、监视有关仪表和作业清扫环境即可完成扫路车行驶、清扫作业和液压倾翻卸料等全部作业功能。清扫作业操作装置和仪表见图11,清扫作业操作装置和仪表操作说明见表4。

2.1.2驾驶室外的操作装置

手动泵安装在驾驶室后方副车架方梁上;洒水系统中的辅助球阀安装在水箱后下部横梁上,总球阀安装在水箱右前方的下面,左扫盘球阀安装水箱后下部横梁上。当副发动机未启动而需操作某部分工作装置时,可操做手动泵及相应电控开关,以及各球阀的手柄。

2.2新车的使用

为使扫路车达到应有的性能指标和延长使用寿命,新扫路车在使用初期必须进行磨合。驾驶操作人员应仔细阅读扫路车使用说明书,并掌握该扫路车的操作、维护规定。

汽车底盘行驶磨合里程为100公里,如清理空气滤清器滤芯、更换发动机机油等。

扫路车专用工作装置和副发动机的磨合期为50小时。磨合期内,副发动机工作转速不得超过2000r/min,应避免副发动机超速运转、聚然加速和减速。每作业2小时,垃圾箱举升卸料1次,清扫装置和吸嘴循环动作1次。磨合期间,注意检查各部分有无异常振动、噪声和漏油、漏水、漏气现象,风机传动皮带和液压泵传动皮带是否打滑,各电控开关和仪表是否正常。

磨合结束后,清理副发动机空气滤清器滤芯,更换副发动机机油和液压油,并排除磨合过程中出现的故障。

2.3扫路车操作规程

扫路车是比较复杂的设备,其使用和保养都应严格按照使用说明书进行,并结合当地实际情况(路面情况、气候),才能确保设备的正常使用。正常情况下,应按照下列操作规程进行操作。

2.3.1对操纵者的要求

a)操纵者(以后简称机手)应当是具有两年以上驾龄的驾驶员。

b)机手应首先熟读本扫路车使用说明书,充分了解扫路车的构造原理及各部件的功能。

c)机手应有较强的责任心。

2.3.2安全注意事项

a)扫路车工作中,机手应密切注意扫路车主、副发动机的工作状态,一旦发现异常,应及时停机检查,找出原因并加以解决后,方可继续使用。

b)扫路车倒车时,应当先收起吸嘴和扫盘等挂件。

c)倾倒垃圾时,应先开垃圾箱后门,再倾翻垃圾箱。

d)垃圾箱顶升后检修时,一定要撑好安全支撑杆,长时间顶升,还应加三角木。

e)垃圾箱顶升后,严禁扫路车上路行驶。

f)水箱加水时,机手应控制好加水的流量,并密切观察水箱水标显示的水箱水位,及时关水,避免过量加水而损坏水箱。

g)严禁水泵在水箱无水状态下运转;冬季气温接近零度时,如车辆存放,应将水箱、水泵、水管等水路系统元件中的存水排尽。

h)底盘车和副发动机应按照生产厂家(汽车厂和发动机厂)的要求进行驶用、维护和保养,并根据扫路车说明书要求及时更换空气滤芯和油滤。

i)发动机的加速和减速应当比较柔和和缓慢,避免急剧加速和减速。

2.4扫路车操作2.4.1出车前检查

a)检查轮外观及气压是否足够,并检查轮胎螺母、各紧固螺栓及销轴的固定是否松动;检查扫刷是否松动、吸嘴支承轮是否过度磨损、垃圾箱各接口密封件及吸管是否损坏。

b)检查整车有无漏气、漏水、漏油等现象。

c)检查主、副发动机燃油、冷却水、机油液面及制动液、液压油面是否正常,必要时添加。

d)启动主发动机,怠速2~3分钟观察其是否正常,查看汽车仪表、灯光、行车制动、驻车制动等是否正常。

e)启动副发动机,听其是否有异常振动或者杂音,查看作业装置仪表和箭头指示灯是否正常,检查风机传动皮带、液压泵传动皮带张紧情况,操纵各工作装置动作是否灵活,扫刷接地痕迹是否合适,吸嘴离地间隙是否恰当,垃圾箱后门能否正常关紧。

f)检查结束后,垃圾箱处于回位状态,吸嘴、扫盘处于提升位置,各电控开关处于中位或关停位,副发动机熄火。






















最新文章